© 2008 - 2012 Christian Batz
Sender A ) ---------------------------- ( Empfänger A
Sender B ) ---------------------------- ( Empfänger B
| Lichtschranke | Status 1 | Status 2 | (Status 3) | Status 4 | Status 5 |
|---|---|---|---|---|---|
| A | An | An | Aus | Aus | An |
| B | An | Aus | Aus | An | An |
| Lichtschranke | Status 1 | Status 2 | (Status 3) | Status 4 | Status 5 |
|---|---|---|---|---|---|
| A | An | Aus | Aus | An | An |
| B | An | An | Aus | Aus | An |
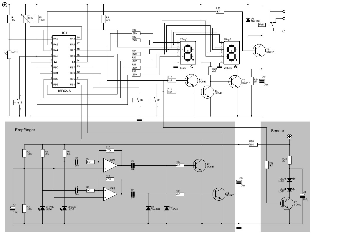
Nur wenn alle Stati in Folge eingetreten sind, erfolgt eine Registrierung der entsprechenden Richtung. Status 3 (jeweils beide Lichtschranken sind unterbrochen) ist zwar erforderlich, wird aber nicht weiter ausgewertet, da er keine Richtungsinformationen enthält. Um eine sichere Erkennung von Status 3 zu gewährleisten, ist darauf zu achten, dass der Abstand zwischen den beiden Lichtschranken nur so groß ist, dass eine gleichzeitige Unterbrechung sichergestellt werden kann.
Zur Bestimmung der Anzahl der vorhandenen Personen dient ein zentraler Zähler, der über zwei 7-Segemente-Anzeigen dargestellt wird. Negative Zählerstände sind nicht möglich. Der Zähler kann zusätzlich durch jeweils einen Taster erhöht bzw. erniedrigt werden. Sobald der Zähler einen Wert größer Null besitzt, wird die Schaltung des Relais initiiert.
| Name | Darstellung | Einstellbereich | Default | Anmerkung |
|---|---|---|---|---|
| Empfindlichkeit (sensitivity) | SE | 0 - 20 | 18 | Empfindlichkeit der Lichtschranken (20 = sehr empfindlich) |
| Verzögerung min (delay) | dE | 0 - 99 | 0 | Ausschaltverzögerungszeit in Minuten |
| Verzögerung sec (delay seconds) | dS | 0 - 59 | 0 | Ausschaltverzögerungszeit in Sekunden |
| Ort Sensor | LI | 0 - 1 | 0 | 0 = Installation im Raum 1 = Installation außerhalb |
| Bezeichnung | Menge | Bauteil | Artikelnummer |
|---|---|---|---|
| P1 | 1 | Poti 100k | 431265 |
| R1,R7,R8,R18,R19,R20,R21,R22,R23,R27 | 10 | 4k7 | 403334 |
| R2,R3,R4 | 3 | 100k | 403490 |
| R5,R6 | 2 | 39k | 403440 |
| R9,R12,R13,R14,R15,R16,R17 | 7 | 270 | 403180 |
| R10,R11 | 2 | 470k | 403571 |
| R24 | 1 | 68 | 403113 |
| R25 | 1 | 100 | 403130 |
| R26 | 1 | 22 | 403415 |
| LDR | 1 | LDR (M9960) | 145483 |
| C1 | 1 | 10µF (16V, stehend) | 460559 |
| C2,C3,C4,C5 | 4 | 68nF | 455385 |
| C6,C7,C8 | 3 | 100µF (16V, stehend) | 472360 |
| D1,D2,D3 | 3 | 1N4148 | 162280 |
| IC1 | 1 | PIC 16F627A | 165169 |
| IC2 | 1 | TL082 | 175340 |
| Fassung IC1 | 1 | DIL18 | 189634 |
| Fassung IC2 | 1 | DIL8 | 19600 |
| LED1,LED2 | 2 | BPW40 | 184055 |
| LED3,LED4 | 2 | LD271 | 184365 |
| Optik LED | 4 | Fassung + Optik | 185310 |
| Rel1 | 1 | RT314A06 (Schrack) | 504188 |
| T1,T2,T3,T4,T5,T6 | 1 | BC547B | 155012 |
| T7 | 1 | BC517 | 154695 |
| 7Seg1,7Seg2 | 2 | SC36-11GWA (grün) | 160229 |
| Taster | 3 | Drucktaster T602 | 700460 |
| Schalter | 1 | Schiebeschalter 2p | 708100 |
| Klemme | 7 | Anschlussklemme 2p | 729949 |
| Buchse | 1 | Printbuchse mono 2,5mm | 733970 |
Die Artikelnummern gelten für Conrad Elektronik.
Download des Platinenlayouts (110 x 42 mm, zweiseitig).